ООО "ПромСтройМет" изготовлены 4 горизонтальных резервуара - три объемом по 75 м3 и один - в 20 м3 (2019 год)
Горизонтальные резервуары объемом 20 м3 (подземного исполнения) и 75 м3 (наземного исполнения) были изготовлены по заказу OAO "Беларуськалий" для объекта "Петриковский горно-обогатительный комплекс" (вторая очередь).

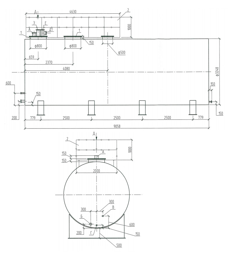
Резервуары объемом 75 м3 (3 единицы):
Назначение и область применения оборудования: резервуары стальные горизонтальные цилиндрические одностенные наземной установки с площадкой обслуживания и лестницей предназначены для приема, хранения и выдачи темных нефтепродуктов;
Объем резервуара: 75 м³;
Тип резервуара: одностенный, горизонтальный цилиндрический;
Исполнение: наземный;
Количество секций резервуара: одна;
Количество горловин на секцию: одна;
Длинна: 9,058 м.;
Конструктивные особенности и размеры: выполнены согласно Проекта 752-58/61.43-12-57.1-ТХ.С-2.0.0 (лист №9, Резервуар 75 м3 общий вид)
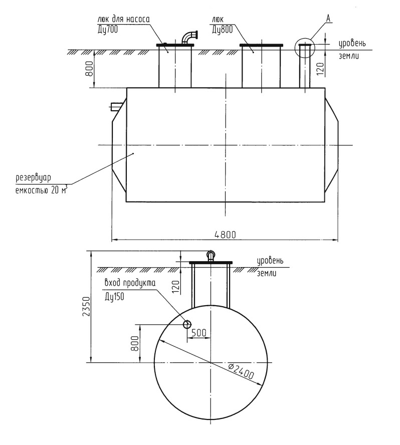
Резервуар объемом 20 м3 (1 единица):
Назначение: резервуар предназначен для аварийного слива нефтепродуктов;
Объем резервуара: 20 м³;
Характеристика хранимой жидкости: смесь масел - индустриальное ИГП-72, редукторное CLP PG 320 DIN51524, гидравлическое HLPD -22
Тип резервуара: одностенный, горизонтальный цилиндрический;
Исполнение: подземный;
Количество стенок: две;
Длинна: 4,8 м.;
Наружный диаметр: 2,4 м;
Климатическое исполнение и категория размещения по ГОСТ 15150-69: У5 (устанавливается в мокрых грунтах);
ООО "ПромСтройМет" сегодня - это современное предприятие по производству металлических конструкций любой сложности по типовым или индивидуальным проектам.
Основными видами изготавливаемой продукции являются резервуары, конвейеры, водонапорные башни, дымовые трубы, траверсы, металлоконструкции строительные, арочные, ограждающие и др. Кроме того, предприятие оказывает услуги по металлобработке (резка, рубка, гибка, сварка, механическая обработка, покраска).
Изготовление конструкций из качественного металла с использованием современных технологий и оборудования позволяет нашей продукции с успехом конкурировать на местных и зарубежных рынках - за 10 лет нами выполнено более 2300 заказов.











